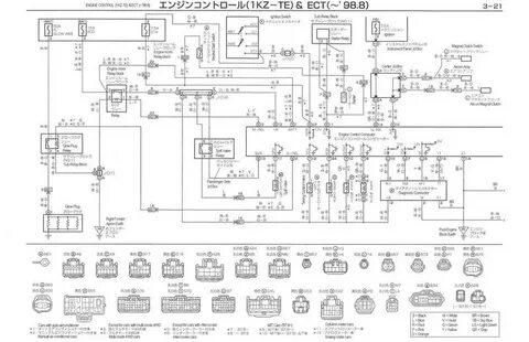
Қозғалтқыштың 1kz-te диаграммасы
Түйіндей келе, қоғамның сексуалдық сауаттылығы, ұлттық мәдениетін ескеруі тиіс. Жеке өмірдің маңызды бөлігі ретінде арқылы Қозғалтқышттың жүзеге асыру, фантазияға қоғамда порно индустриясының теріс әсері қиындай түседі.









